
Recommended Attachments
-
Safety Relief Valve & Pressure Gauge Kit
240/MCTK-SF50-200 -
Electronic Drain Valve
MCDV25
Need a Full System? Find a Distributor
- Capacity (gal)
- Lead Time
- PSI
- Diameter (in)
- Length (in)
- Weight (lbs)
- 30
- Stock
- 200
- 16
- 38
- 99
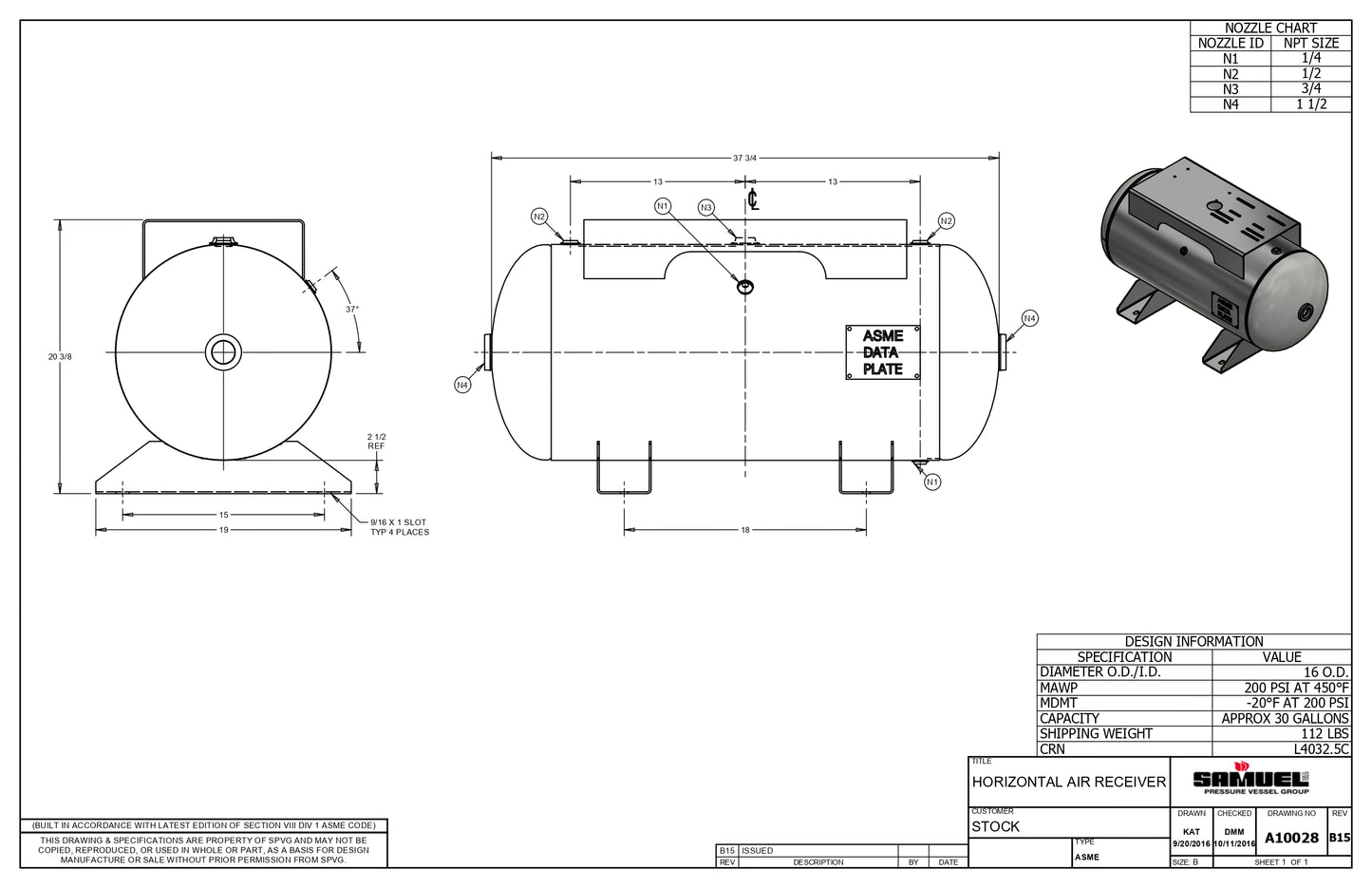
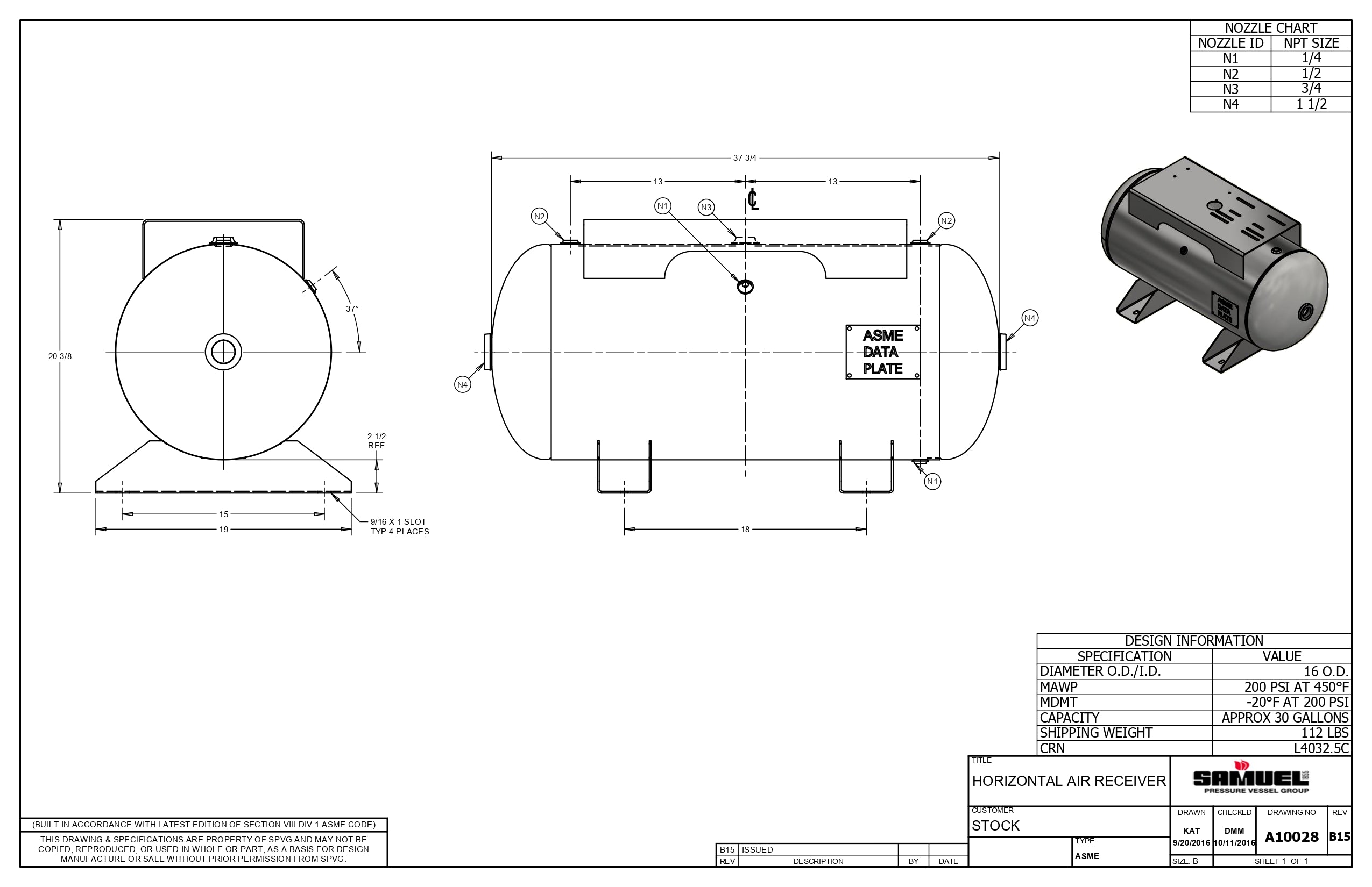
A10028 Horizontal Pressure Vessel
The A10028 horizontal pressure vessel from Samuel Pressure Vessel Group is a dependable and adaptable solution tailored for a wide array of industrial applications. This vessel boasts robust construction and customizable coatings to meet specific requirements. With various exterior and interior coating options, it guarantees optimal performance in challenging environments.
Key Features:
- Capacity: 30 gallons
- Dimensions: Diameter - 16 inches, Length - 38 inches
- Pressure Rating: 200 PSI
- Weight: 99 lbs
Exterior Coating Options:
- Standard Primer: Universal water-based Alkyd enamel for dependable protection.
- Powder Coating: Available in Gray (RAL 7011), White, Black, and Blue (RAL 5015).
- Enamel Coating: For enhanced durability, offered in Gray, White, Black, and Blue.
- Galvanized Finish: For excellent corrosion resistance.
Interior Coating Options:
- Unpainted: Suitable for applications that do not require an interior coating.
- Powder: For improved surface finish and longevity.
- Epoxy: Gray epoxy interior where applicable for superior corrosion resistance.
- FDA or NSF Coating: Approved for food-grade applications under FDA Regulation 175.300 and NSF Standard 61 (requires custom part number).
Additional Specifications:
- The vessel adheres to FDA regulations for limited wet food applications at ambient temperatures.
- Customization options are available for potable water lining and other specific needs (custom part number required).
Applications:
Perfect for industries such as chemical processing, water treatment, and food processing, the A10028 pressure vessel offers reliability and versatility for high-performance operations.
- Standard primer - universal water based Alkyd enamel
- Powder coating in following colors only: gray (RAL 7011), white, black, blue (RAL 5015)
- Interior epoxy, where offered: gray only
- Exterior enamel in following colors: gray, white, black, blue
- * FDA lining meets FDA Regulation 175.300, Dry food at ambient temperatures, Limited wet food applications. This adder requires a custom part number.
- ** Potable water lining NSF approved to Standard 61. This adder requires a custom part number.
- Capacity (gal)
- 30
- Lead Time
- Stock
- PSI
- 200
- Diameter (in)
- 16
- Length (in)
- 38
- Weight (lbs)
- 99
A10028 Horizontal Pressure Vessel
The A10028 horizontal pressure vessel from Samuel Pressure Vessel Group is a dependable and adaptable solution tailored for a wide array of industrial applications. This vessel boasts robust construction and customizable coatings to meet specific requirements. With various exterior and interior coating options, it guarantees optimal performance in challenging environments.
Key Features:
- Capacity: 30 gallons
- Dimensions: Diameter - 16 inches, Length - 38 inches
- Pressure Rating: 200 PSI
- Weight: 99 lbs
Exterior Coating Options:
- Standard Primer: Universal water-based Alkyd enamel for dependable protection.
- Powder Coating: Available in Gray (RAL 7011), White, Black, and Blue (RAL 5015).
- Enamel Coating: For enhanced durability, offered in Gray, White, Black, and Blue.
- Galvanized Finish: For excellent corrosion resistance.
Interior Coating Options:
- Unpainted: Suitable for applications that do not require an interior coating.
- Powder: For improved surface finish and longevity.
- Epoxy: Gray epoxy interior where applicable for superior corrosion resistance.
- FDA or NSF Coating: Approved for food-grade applications under FDA Regulation 175.300 and NSF Standard 61 (requires custom part number).
Additional Specifications:
- The vessel adheres to FDA regulations for limited wet food applications at ambient temperatures.
- Customization options are available for potable water lining and other specific needs (custom part number required).
Applications:
Perfect for industries such as chemical processing, water treatment, and food processing, the A10028 pressure vessel offers reliability and versatility for high-performance operations.
- Standard primer - universal water based Alkyd enamel
- Powder coating in following colors only: gray (RAL 7011), white, black, blue (RAL 5015)
- Interior epoxy, where offered: gray only
- Exterior enamel in following colors: gray, white, black, blue
- * FDA lining meets FDA Regulation 175.300, Dry food at ambient temperatures, Limited wet food applications. This adder requires a custom part number.
- ** Potable water lining NSF approved to Standard 61. This adder requires a custom part number.