
Recommended Attachments
-
Safety Relief Valve & Pressure Gauge Kit
240/MCTK-SF50-200 -
Electronic Drain Valve
MCDV25
Need a Full System? Find a Distributor
- Capacity (gal)
- Lead Time
- PSI
- Diameter (in)
- Length (in)
- Weight (lbs)
- 30
- Call
- 200
- 16
- 38
- 132
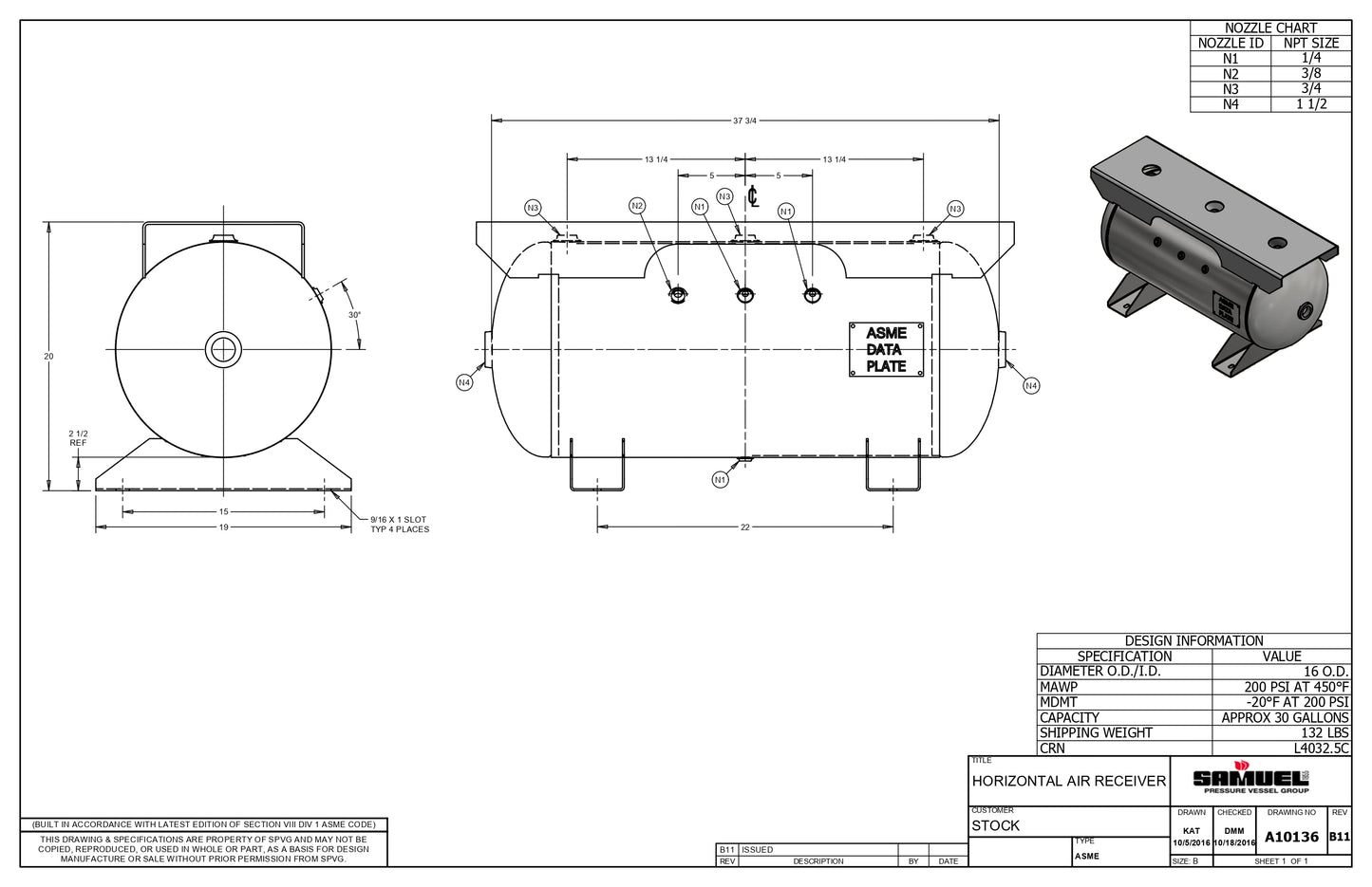
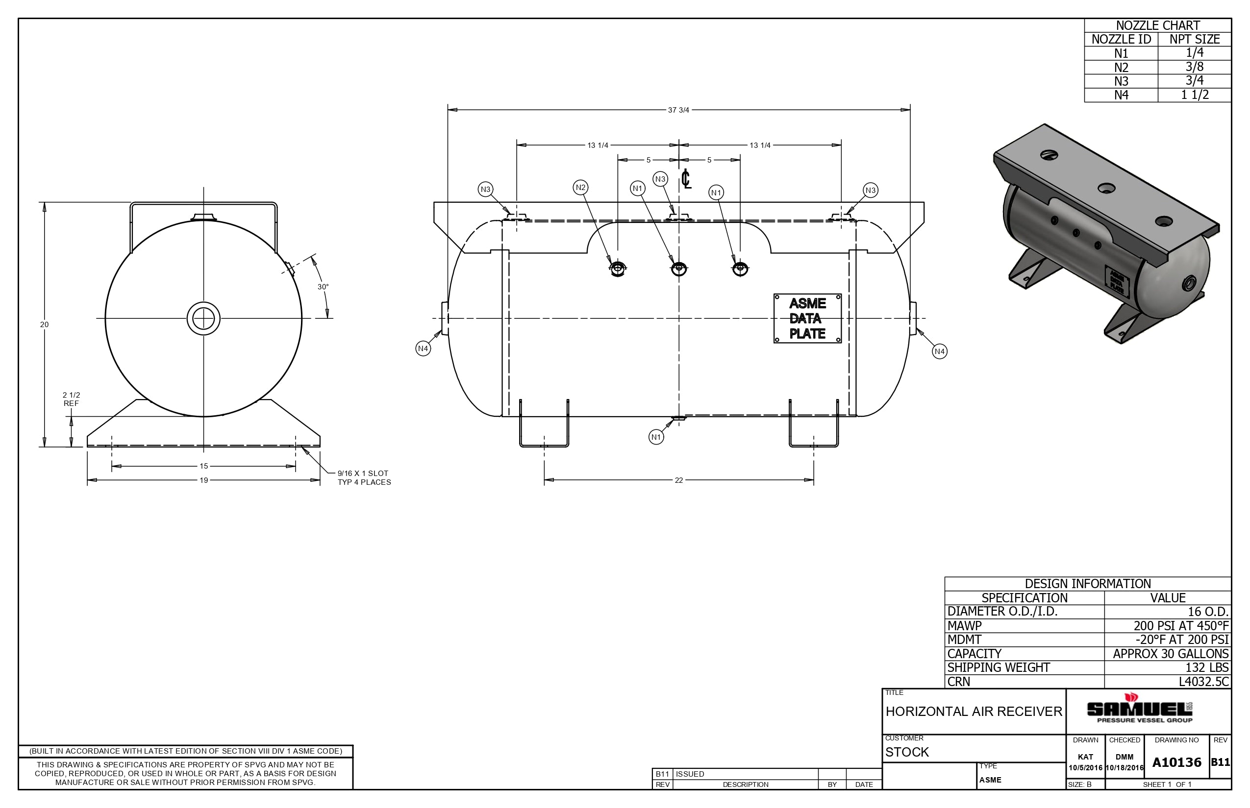
A10136 Horizontal Pressure Vessel
The A10136 horizontal pressure vessel from Samuel Pressure Vessel Group is a robust and versatile solution designed for a variety of industrial applications. This vessel features durable construction and customizable coatings to meet specific needs. With a range of exterior and interior coating options, it ensures optimal performance in demanding environments.
Key Features:
- Capacity: 30 gallons
- Dimensions: Diameter - 16 inches, Length - 38 inches
- Pressure Rating: 200 PSI
- Weight: 132 lbs
Exterior Coating Options:
- Standard Primer: Universal water-based Alkyd enamel for reliable protection.
- Powder Coating: Available in Gray (RAL 7011), White, Black, and Blue (RAL 5015).
- Enamel Coating: For enhanced durability, offered in Gray, White, Black, and Blue.
- Galvanized Finish: For superior corrosion resistance.
Interior Coating Options:
- Unpainted: Suitable for applications that do not require an interior coating.
- Powder: For improved surface finish and longevity.
- Epoxy: Gray epoxy interior where applicable for superior corrosion resistance.
- FDA or NSF Coating: Approved for food-grade applications under FDA Regulation 175.300 and NSF Standard 61 (requires custom part number).
Additional Specifications:
- The vessel adheres to FDA regulations for limited wet food applications at ambient temperatures.
- Customization options are available for potable water lining and other specific needs (custom part number required).
Applications:
Perfect for industries such as chemical processing, water treatment, and food processing, the A10136 pressure vessel offers reliability and versatility for high-performance operations.
- Standard primer - universal water based Alkyd enamel
- Powder coating in following colors only: gray (RAL 7011), white, black, blue (RAL 5015)
- Interior epoxy, where offered: gray only
- Exterior enamel in following colors: gray, white, black, blue
- * FDA lining meets FDA Regulation 175.300, Dry food at ambient temperatures, Limited wet food applications. This adder requires a custom part number.
- ** Potable water lining NSF approved to Standard 61. This adder requires a custom part number.
- Capacity (gal)
- 30
- Lead Time
- Call
- PSI
- 200
- Diameter (in)
- 16
- Length (in)
- 38
- Weight (lbs)
- 132
A10136 Horizontal Pressure Vessel
The A10136 horizontal pressure vessel from Samuel Pressure Vessel Group is a robust and versatile solution designed for a variety of industrial applications. This vessel features durable construction and customizable coatings to meet specific needs. With a range of exterior and interior coating options, it ensures optimal performance in demanding environments.
Key Features:
- Capacity: 30 gallons
- Dimensions: Diameter - 16 inches, Length - 38 inches
- Pressure Rating: 200 PSI
- Weight: 132 lbs
Exterior Coating Options:
- Standard Primer: Universal water-based Alkyd enamel for reliable protection.
- Powder Coating: Available in Gray (RAL 7011), White, Black, and Blue (RAL 5015).
- Enamel Coating: For enhanced durability, offered in Gray, White, Black, and Blue.
- Galvanized Finish: For superior corrosion resistance.
Interior Coating Options:
- Unpainted: Suitable for applications that do not require an interior coating.
- Powder: For improved surface finish and longevity.
- Epoxy: Gray epoxy interior where applicable for superior corrosion resistance.
- FDA or NSF Coating: Approved for food-grade applications under FDA Regulation 175.300 and NSF Standard 61 (requires custom part number).
Additional Specifications:
- The vessel adheres to FDA regulations for limited wet food applications at ambient temperatures.
- Customization options are available for potable water lining and other specific needs (custom part number required).
Applications:
Perfect for industries such as chemical processing, water treatment, and food processing, the A10136 pressure vessel offers reliability and versatility for high-performance operations.
- Standard primer - universal water based Alkyd enamel
- Powder coating in following colors only: gray (RAL 7011), white, black, blue (RAL 5015)
- Interior epoxy, where offered: gray only
- Exterior enamel in following colors: gray, white, black, blue
- * FDA lining meets FDA Regulation 175.300, Dry food at ambient temperatures, Limited wet food applications. This adder requires a custom part number.
- ** Potable water lining NSF approved to Standard 61. This adder requires a custom part number.