
Recommended Attachments
-
Safety Relief Valve & Pressure Gauge Kit
240/MCTK-SF50-200 -
Electronic Drain Valve
MCDV25
Need a Full System? Find a Distributor
- Capacity (gal)
- Lead Time
- PSI
- Diameter (in)
- Length (in)
- Weight (lbs)
- 120
- Call
- 200
- 24
- 67
- 437
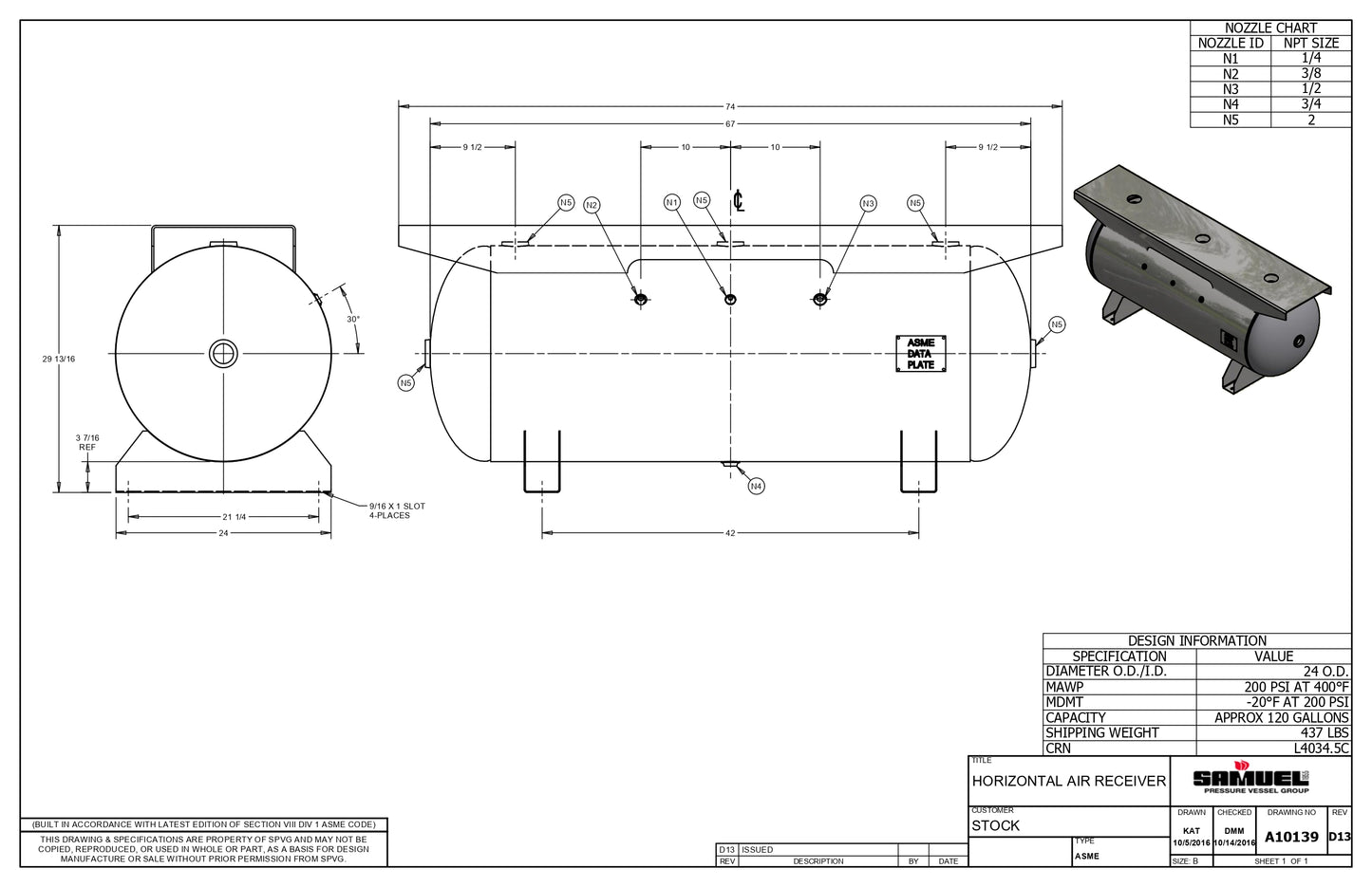
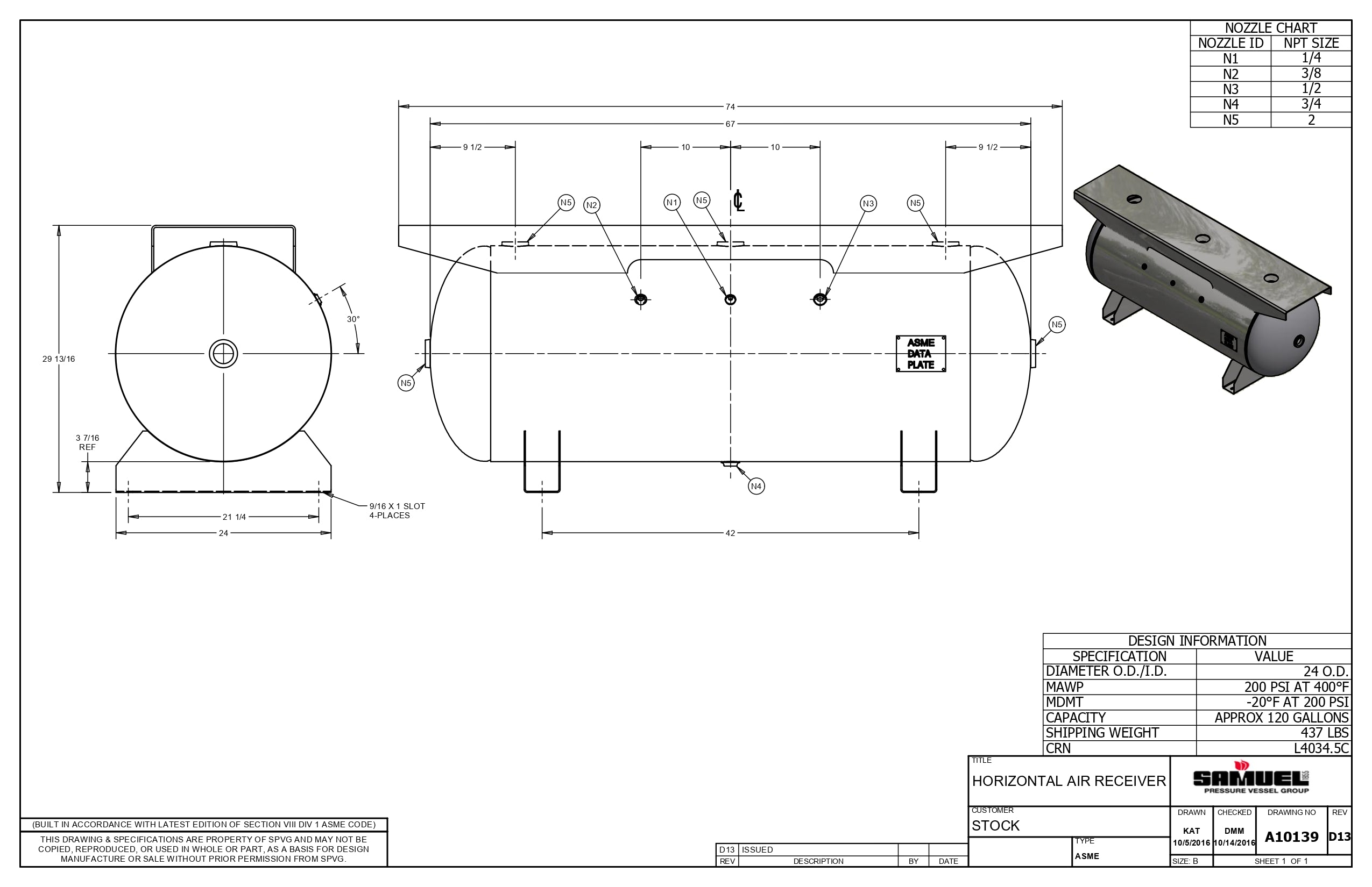
A10139 Horizontal Pressure Tank
The A10139 horizontal pressure tank is designed to provide durable and efficient performance for various industrial and commercial applications. With a focus on reliability and customization, it serves as an ideal solution for diverse operational needs.
Key Features
- Capacity: 120 gallons
-
Dimensions:
- Diameter: 24 inches
- Length: 67 inches
- Pressure Rating: 200 PSI
- Weight: 437 lbs
Exterior Coating Options
- Standard Primer: Universal water-based Alkyd enamel for foundational protection.
- Powder Coating (Optional): Available in Gray (RAL 7011), White, Black, and Blue (RAL 5015) for added durability and corrosion resistance.
- Enamel Coating (Optional): Additional protection in Gray, White, Black, or Blue.
- Galvanized Finish (Optional): Best suited for high-corrosion environments.
Interior Coating Options
- Unpainted: Suitable for non-coated interior requirements.
- Powder Coating (Optional): Smooth and robust interior finish.
- Epoxy Lining (Optional): Gray epoxy for enhanced chemical resistance.
- FDA or NSF Lining (Optional): Meets FDA Regulation 175.300 and NSF Standard 61 for food-grade and potable water applications (requires a custom part number).
Additional Specifications
- Custom Options: Fully customizable to meet specific operational requirements.
- Compliance: Adheres to industry standards for food and potable water applications.
Applications
The A10139 horizontal pressure tank is ideal for use in HVAC systems, plumbing, food processing, and other industrial settings. Its robust design and customizable features ensure dependable performance in demanding environments.
- Standard primer - universal water based Alkyd enamel
- Powder coating in following colors only: gray (RAL 7011), white, black, blue (RAL 5015)
- Interior epoxy, where offered: gray only
- Exterior enamel in following colors: gray, white, black, blue
- * FDA lining meets FDA Regulation 175.300, Dry food at ambient temperatures, Limited wet food applications. This adder requires a custom part number.
- ** Potable water lining NSF approved to Standard 61. This adder requires a custom part number.
- Capacity (gal)
- 120
- Lead Time
- Call
- PSI
- 200
- Diameter (in)
- 24
- Length (in)
- 67
- Weight (lbs)
- 437
A10139 Horizontal Pressure Tank
The A10139 horizontal pressure tank is designed to provide durable and efficient performance for various industrial and commercial applications. With a focus on reliability and customization, it serves as an ideal solution for diverse operational needs.
Key Features
- Capacity: 120 gallons
-
Dimensions:
- Diameter: 24 inches
- Length: 67 inches
- Pressure Rating: 200 PSI
- Weight: 437 lbs
Exterior Coating Options
- Standard Primer: Universal water-based Alkyd enamel for foundational protection.
- Powder Coating (Optional): Available in Gray (RAL 7011), White, Black, and Blue (RAL 5015) for added durability and corrosion resistance.
- Enamel Coating (Optional): Additional protection in Gray, White, Black, or Blue.
- Galvanized Finish (Optional): Best suited for high-corrosion environments.
Interior Coating Options
- Unpainted: Suitable for non-coated interior requirements.
- Powder Coating (Optional): Smooth and robust interior finish.
- Epoxy Lining (Optional): Gray epoxy for enhanced chemical resistance.
- FDA or NSF Lining (Optional): Meets FDA Regulation 175.300 and NSF Standard 61 for food-grade and potable water applications (requires a custom part number).
Additional Specifications
- Custom Options: Fully customizable to meet specific operational requirements.
- Compliance: Adheres to industry standards for food and potable water applications.
Applications
The A10139 horizontal pressure tank is ideal for use in HVAC systems, plumbing, food processing, and other industrial settings. Its robust design and customizable features ensure dependable performance in demanding environments.
- Standard primer - universal water based Alkyd enamel
- Powder coating in following colors only: gray (RAL 7011), white, black, blue (RAL 5015)
- Interior epoxy, where offered: gray only
- Exterior enamel in following colors: gray, white, black, blue
- * FDA lining meets FDA Regulation 175.300, Dry food at ambient temperatures, Limited wet food applications. This adder requires a custom part number.
- ** Potable water lining NSF approved to Standard 61. This adder requires a custom part number.