
Recommended Attachments
-
Safety Relief Valve & Pressure Gauge Kit
1100/MCTK-SW12-150 -
Electronic Drain Valve
MCDV25
Need a Full System? Find a Distributor
- Capacity (gal)
- Lead Time
- PSI
- Diameter (in)
- Length (in)
- Weight (lbs)
- 1060
- Call
- 155
- 48
- 144
- 1966
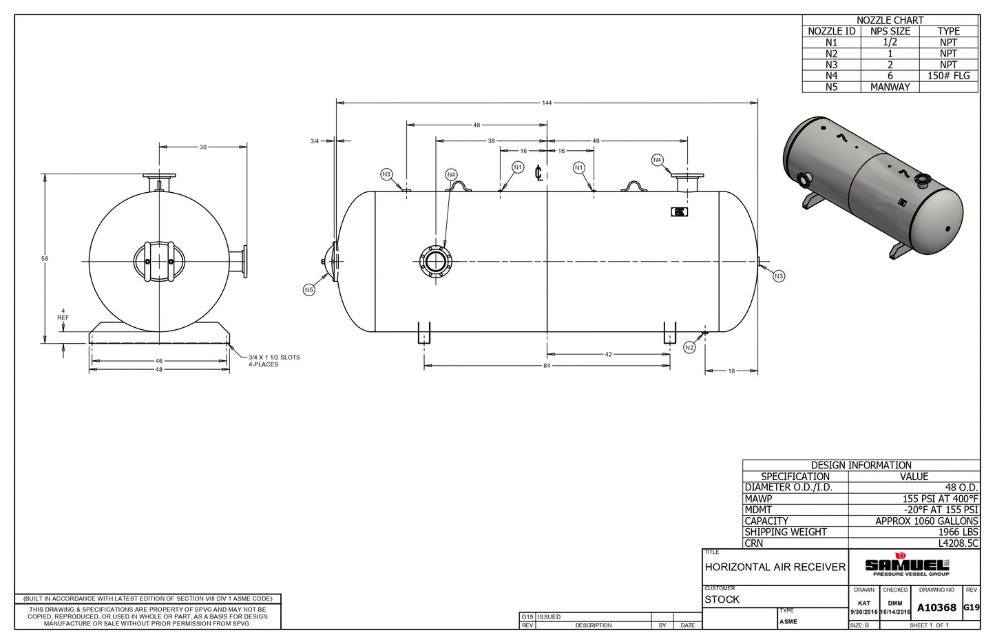
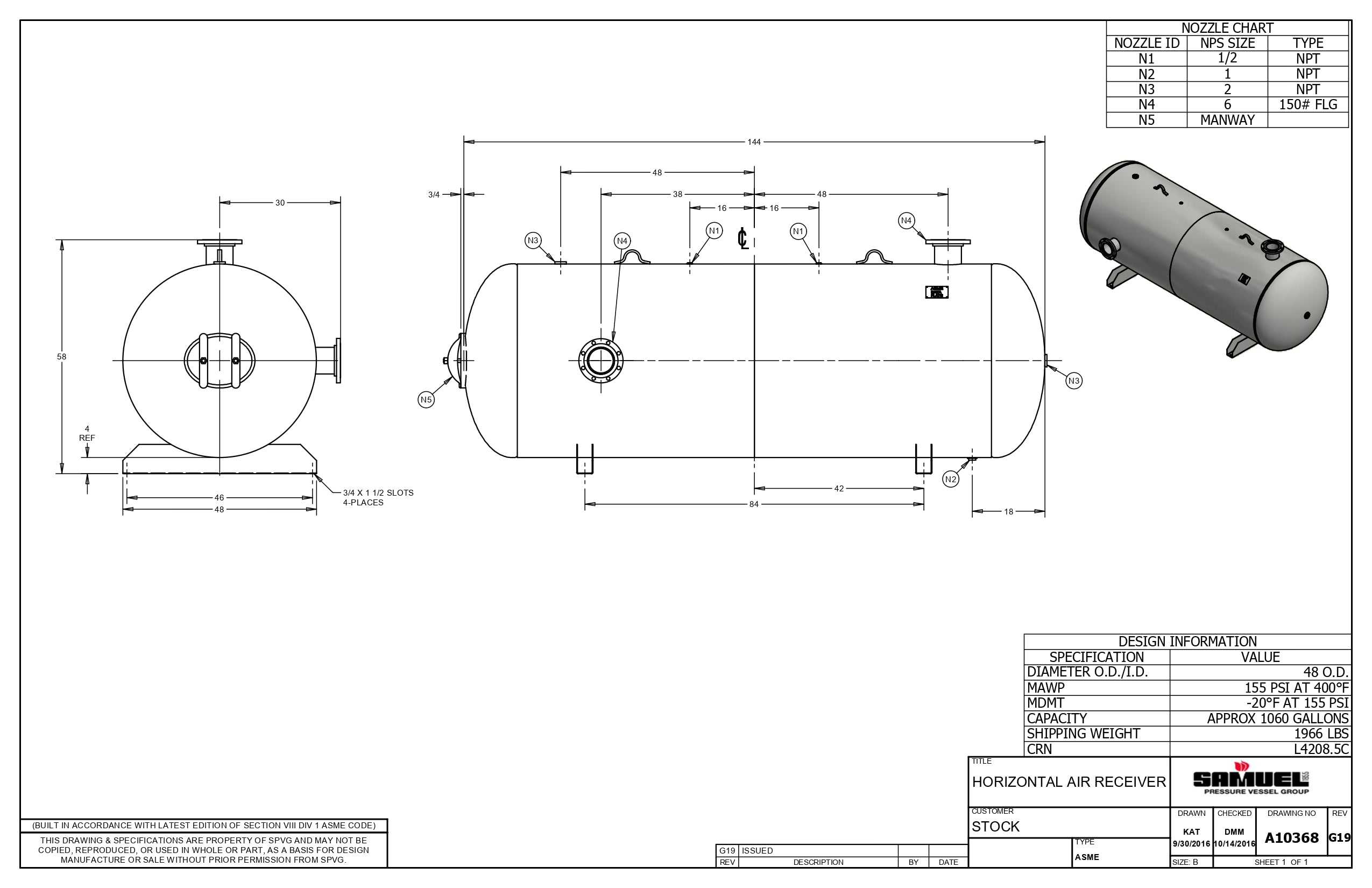
A10368 Horizontal Pressure Tank
The A10368 horizontal pressure tank is a versatile and durable solution, tailored to meet the needs of various industrial and commercial applications. With its robust design and multiple customization options, this tank is engineered for optimal performance and adaptability.
Key Features:
- Capacity: 1060 gallons
- Dimensions: Diameter - 48 inches, Length - 144 inches
- Pressure Rating: 155 PSI
- Weight: 1966 lbs
Exterior Coating Options:
- Standard Primer: Universal water-based Alkyd enamel for basic protection.
- Powder Coating: Available in Gray (RAL 7011), White, Black, and Blue (RAL 5015).
- Enamel Coating: Provides enhanced durability, available in Gray, White, Black, and Blue.
- Galvanized Finish: Ideal for environments requiring superior corrosion resistance.
Interior Coating Options:
- Unpainted: Suitable for applications that do not require interior coating.
- Powder Coating: Ensures a smooth, durable finish for interior surfaces.
- Epoxy: Gray epoxy interior where offered, providing added corrosion resistance.
- FDA or NSF Coating: Approved for food-grade applications under FDA Regulation 175.300 and potable water use per NSF Standard 61 (custom part number required).
Additional Specifications:
- Versatility: Designed to comply with standards for both food-grade and potable water applications.
- Customization: Options for specialized linings and coatings are available upon request.
Applications:
The A10368 pressure tank is a reliable choice for industries such as HVAC, plumbing, and food processing, offering flexibility and dependable performance under pressure.
- Standard primer - universal water based Alkyd enamel
- Powder coating in following colors only: gray (RAL 7011), white, black, blue (RAL 5015)
- Interior epoxy, where offered: gray only
- Exterior enamel in following colors: gray, white, black, blue
- * FDA lining meets FDA Regulation 175.300, Dry food at ambient temperatures, Limited wet food applications. This adder requires a custom part number.
- ** Potable water lining NSF approved to Standard 61. This adder requires a custom part number.
- Capacity (gal)
- 1060
- Lead Time
- Call
- PSI
- 155
- Diameter (in)
- 48
- Length (in)
- 144
- Weight (lbs)
- 1966
A10368 Horizontal Pressure Tank
The A10368 horizontal pressure tank is a versatile and durable solution, tailored to meet the needs of various industrial and commercial applications. With its robust design and multiple customization options, this tank is engineered for optimal performance and adaptability.
Key Features:
- Capacity: 1060 gallons
- Dimensions: Diameter - 48 inches, Length - 144 inches
- Pressure Rating: 155 PSI
- Weight: 1966 lbs
Exterior Coating Options:
- Standard Primer: Universal water-based Alkyd enamel for basic protection.
- Powder Coating: Available in Gray (RAL 7011), White, Black, and Blue (RAL 5015).
- Enamel Coating: Provides enhanced durability, available in Gray, White, Black, and Blue.
- Galvanized Finish: Ideal for environments requiring superior corrosion resistance.
Interior Coating Options:
- Unpainted: Suitable for applications that do not require interior coating.
- Powder Coating: Ensures a smooth, durable finish for interior surfaces.
- Epoxy: Gray epoxy interior where offered, providing added corrosion resistance.
- FDA or NSF Coating: Approved for food-grade applications under FDA Regulation 175.300 and potable water use per NSF Standard 61 (custom part number required).
Additional Specifications:
- Versatility: Designed to comply with standards for both food-grade and potable water applications.
- Customization: Options for specialized linings and coatings are available upon request.
Applications:
The A10368 pressure tank is a reliable choice for industries such as HVAC, plumbing, and food processing, offering flexibility and dependable performance under pressure.
- Standard primer - universal water based Alkyd enamel
- Powder coating in following colors only: gray (RAL 7011), white, black, blue (RAL 5015)
- Interior epoxy, where offered: gray only
- Exterior enamel in following colors: gray, white, black, blue
- * FDA lining meets FDA Regulation 175.300, Dry food at ambient temperatures, Limited wet food applications. This adder requires a custom part number.
- ** Potable water lining NSF approved to Standard 61. This adder requires a custom part number.