
Recommended Attachments
-
Safety Relief Valve & Pressure Gauge Kit
3000/MCTK-19MJH-150 -
Electronic Drain Valve
MCDV25
Need a Full System? Find a Distributor
- Capacity (gal)
- Lead Time
- PSI
- Diameter (in)
- Length (in)
- Weight (lbs)
- 2560
- Call
- 150
- 60
- 220
- 4301
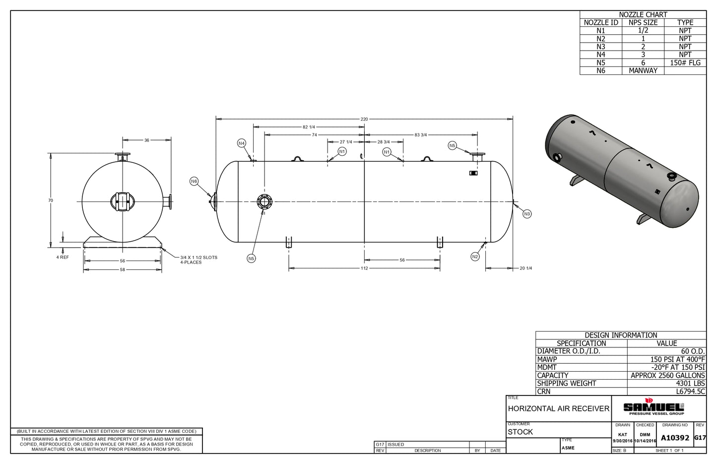
A10392 Horizontal Pressure Tank
The A10392 horizontal pressure tank is a large-capacity, high-performance storage solution, engineered to support demanding industrial and commercial applications. With its robust design and customizable features, this tank ensures reliable operation and adaptability to meet specific project requirements.
Key Features:
- Capacity: 2560 gallons
- Dimensions: Diameter - 60 inches, Length - 220 inches
- Pressure Rating: 150 PSI
- Weight: 4301 lbs
Exterior Coating Options:
- Standard Primer: Universal water-based Alkyd enamel for basic protection.
- Powder Coating: Available in Gray (RAL 7011), White, Black, and Blue (RAL 5015) for enhanced durability.
- Enamel Coating: Offered in Gray, White, Black, and Blue for additional resilience.
- Galvanized Finish: For maximum corrosion resistance in harsh environments.
Interior Coating Options:
- Unpainted: For applications requiring no interior coating.
- Powder: Provides a smooth, durable finish for interior surfaces.
- Epoxy: Gray epoxy lining, where applicable, for added corrosion protection.
- FDA or NSF Coating: Approved for food-grade use under FDA Regulation 175.300 and NSF Standard 61 (requires custom part number).
Additional Specifications:
- Versatility: Designed to comply with FDA regulations for limited wet food applications at ambient temperatures.
- Customization: NSF-approved potable water lining and other special requirements are available with a custom part number.
Applications:
Perfect for industries including HVAC, plumbing, and food processing, the A10392 tank combines functionality and flexibility, making it a dependable choice for high-volume operations.
- Standard primer - universal water based Alkyd enamel
- Powder coating in following colors only: gray (RAL 7011), white, black, blue (RAL 5015)
- Interior epoxy, where offered: gray only
- Exterior enamel in following colors: gray, white, black, blue
- * FDA lining meets FDA Regulation 175.300, Dry food at ambient temperatures, Limited wet food applications. This adder requires a custom part number.
- ** Potable water lining NSF approved to Standard 61. This adder requires a custom part number.
- Capacity (gal)
- 2560
- Lead Time
- Call
- PSI
- 150
- Diameter (in)
- 60
- Length (in)
- 220
- Weight (lbs)
- 4301
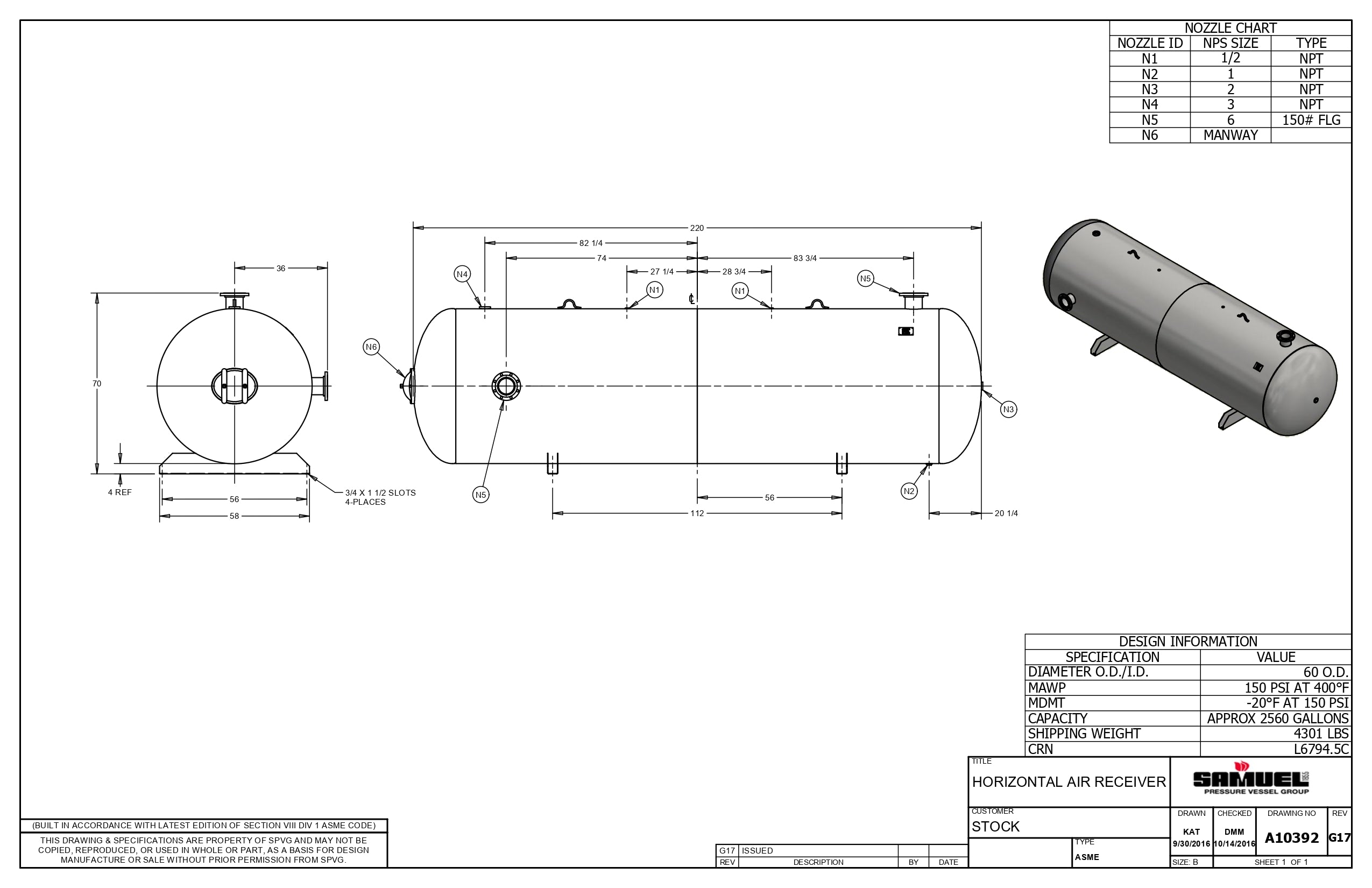
A10392 Horizontal Pressure Tank
The A10392 horizontal pressure tank is a large-capacity, high-performance storage solution, engineered to support demanding industrial and commercial applications. With its robust design and customizable features, this tank ensures reliable operation and adaptability to meet specific project requirements.
Key Features:
- Capacity: 2560 gallons
- Dimensions: Diameter - 60 inches, Length - 220 inches
- Pressure Rating: 150 PSI
- Weight: 4301 lbs
Exterior Coating Options:
- Standard Primer: Universal water-based Alkyd enamel for basic protection.
- Powder Coating: Available in Gray (RAL 7011), White, Black, and Blue (RAL 5015) for enhanced durability.
- Enamel Coating: Offered in Gray, White, Black, and Blue for additional resilience.
- Galvanized Finish: For maximum corrosion resistance in harsh environments.
Interior Coating Options:
- Unpainted: For applications requiring no interior coating.
- Powder: Provides a smooth, durable finish for interior surfaces.
- Epoxy: Gray epoxy lining, where applicable, for added corrosion protection.
- FDA or NSF Coating: Approved for food-grade use under FDA Regulation 175.300 and NSF Standard 61 (requires custom part number).
Additional Specifications:
- Versatility: Designed to comply with FDA regulations for limited wet food applications at ambient temperatures.
- Customization: NSF-approved potable water lining and other special requirements are available with a custom part number.
Applications:
Perfect for industries including HVAC, plumbing, and food processing, the A10392 tank combines functionality and flexibility, making it a dependable choice for high-volume operations.
- Standard primer - universal water based Alkyd enamel
- Powder coating in following colors only: gray (RAL 7011), white, black, blue (RAL 5015)
- Interior epoxy, where offered: gray only
- Exterior enamel in following colors: gray, white, black, blue
- * FDA lining meets FDA Regulation 175.300, Dry food at ambient temperatures, Limited wet food applications. This adder requires a custom part number.
- ** Potable water lining NSF approved to Standard 61. This adder requires a custom part number.